17 - FPGAs
ucla | CS M151B | 2024-03-07 16:14
Table of Contents
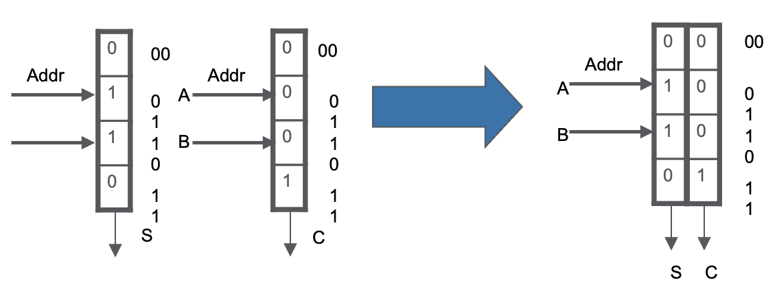
Lookup Tables
- all combinational circuits are truth table
- we make LUTs by optimizing TTs by having some number of inputs and some number of outputs (like a mux):

- thus sequential logic made by attaching a flip flop
- then the combinational must choose which FF to activate using a MUX e.g., regs
Registers

- we use island structure:

DSP blocks
- bc fpgas are slow at arithmetic, we include dediated DSPs:

Memory



